标准详情与信息
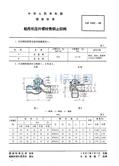
标准名称:船用低压外螺纹青铜止回阀
标准号:GB/T 1952-1980
发布日期:1980-05-15
实施日期:1981-01-01
管理部门:国家标准化管理委员会
行业分类:造船和海上构筑物
起草单位与起草人
起草单位包含:大连船厂。
*本网站标准资料仅供参考,使用标准请以正式出版的标准版本为准。

标准名称:船用低压外螺纹青铜止回阀
标准号:GB/T 1952-1980
发布日期:1980-05-15
实施日期:1981-01-01
管理部门:国家标准化管理委员会
行业分类:造船和海上构筑物
起草单位包含:大连船厂。
*本网站标准资料仅供参考,使用标准请以正式出版的标准版本为准。